Tensores para cadenas de rodillos
Las piezas de desgaste en la mayoría de las instalaciones son cadenas y correas que están en constante movimiento. Las cargas son especialmente elevadas y necesitan una pretensión.
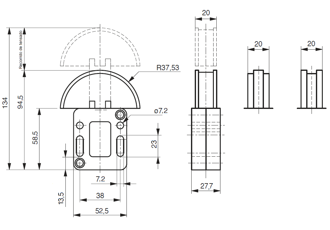
Tensor Modelo A
Carga máxima : 25ºC - 200 N
Carcasa de acero
Perfil de riel
Perfil U para cadenas hasta un ancho de 15 mm
Tres muelles comprimidos pretensados con un recorrido de tensado de 40,75 mm
Posibilidad de reglaje 67 mm
Referencia de Cadena
Tensor Modelo B
Carga máxima : 25ºC - 130 N
Carcasa de plástico
Perfil de riel
Perfil U para cadenas hasta un ancho de 15 mm
Un muelle comprimido pretensado con un recorrido de tensado de 39,5 mm
Posibilidad de reglaje 25 mm



